Penambahan sebuah tahanan seri atau pengali (multiplier), mengubah gerakan d'arsonval menjadi sebuah voltmeter arus searah. Tahanan pengali membatasi arus kealat ukur agar tidak melebihi arus sakala penuh (Idp). Sebuah voltmeter arus searah mengukur beda potensial antara dua titik dalam sebuah rangkaian arus searah dan dengan demikian dihubungkan paralel terhadap sebuah sumber tegangan atau komponen rangkaian. Biasanya terminal-termianal alat ukur ini diberi tanda positif dan negatif karena polaritas harus ditetapkan.
Nilai tahanan pengali yang diperlukan untuk memperbesar batas ukur tegangan ditentukan dari Gambar 1, dimana :
Im = arus defleksi dari alat ukur
Rm = tahanan dalam alat ukur
Rs = tahanan pengali
V = tegangan rangkuman maksimum dari instrumen
Rs = tahanan pengali
V = tegangan rangkuman maksimum dari instrumen
= Im (Rs + Rm)
Gambar 1. Rangkaian dasar voltmeter DC
Biasanya untuk batas ukur sampai 500 V pengali dipasang didalam kotak voltmeter. Untuk tegangan yang lebih tinggi, pengali tersebut dipasang pada sepasang apitan kutub diluar kotak yakni untuk mencegah kelebihan panas dibagian dalam voltmeter.
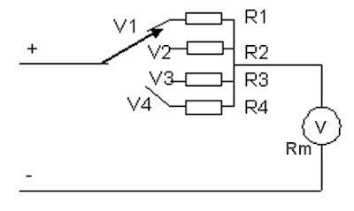
2. Voltmeter rangkuman ganda
Penambahan sejumlah pengali beserta sebuah saklar rangkuman membuat instrumen mampu digunakan bagi sejumlah rangkuman tegangan. Sebuah voltmeter rangkuman ganda yang menggunakan sebuah sakelar empat posisi (V1, V2, V3, dan V4 ) dan empat pengali (R1, R2, R3, dan R4). Nilai dari pada tahanan-tahanan pengali dapat ditentukan dengan metoda sebelumnya, atau dengan metoda sensitivitas.
Gambar 2. Voltmeter rangkuman ganda
a. Sensitivitas voltmeter
Sensitivitas S, adalah kebalikan dari defleksi skala penuh alat ukur yaitu : S = 1 / IdpSensitivitas S dapat digunakan pada metode sensitivitas untuk menentukan tahanan pengali voltmeter arus searah . R = (S x V) - RmDimana : S = sensitivitas voltmeter,ohm/volt
V = rangkuman tegangan yang ditentukan oleh posisi sakelar
Rs = tahanan pengali
Rm = tahanan-dalam alat ukur (ditambah tahanan seri)
b. Efek pembebanan
Bila sebuah voltmeter dihubungkan antara dua titik di dalam sebuah rangkaian tahanan tinggi, dia bertindak sebagai shunt bagi bagian rangkaian sehinga memperkecil tahanan ekivalen dalam bagian rangkaian tersebut. Berarti voltmeter akan menghasilkan penunjukan tegangan yang lebih rendah dari yang sebenarnya sebelum dihubungkan. Efek ini disebut efek pembebanan instrumen yang terutama disebabkan oleh sensitivitas rendah. Tindakan pencegahan yang umum bila menggunakan sebuah voltmeter adalah :
- Periksa polaritas yang benar. Polaritas yang salah (terbalik) menyebabkan voltmeter menyimpang kesumbat mekanis dan ini dapat merusak jarum.
- Hubungkan voltmeter paralel terhadap rangkaian atau komponen yang akan diukur tegangannya.
- Bila menggunakan rangkuman ganda, gunakan selalu rangkuman tertinggi dan kemudian turunkan sampai diperoleh pembacaan naik yang baik.
- Selalu hati-hati terhadap efek pembebanan. Efek ini dapat diperkecil dengan menggunakan rangkuman setinggi mungkin (dan sensitivitas paling tinggi). Ketepatan pengukuran berkurang bila penunjukan berada pada skala yang lebih rendah.
3. Perbaikan Volt meter
Sebelum memperbaiki volt meter terlebih dahulu dapat dilihat gejalanya apakah sebagai berikut :
a. Jarum Voltmeter tidak menunjuk - Cek moving koilnya, apakah masih normal ?, jika tidak maka periksa rangkaiannya.
- Cek resistansi shunt apakah masih normal ?, jika tidak normal maka ganti dengan harga resistansi yang sama.
- Cek hubungan/sambungan pada saklar putar (rotary switch) apakah dalam kondisi normal ?, Jika renggang maka kencangkan kembali.
- Cek probenya (test lead) apakah masih normal ?, gunakan ohmmeter, jika ada yang putus maka harus disambung atau ganti dengan yang baru.
- Cek apakah meter menggunakan fuse ?, jika menggunakan fuse cek apakah fuse masih normal ?.
- Cek probenya (test lead) apakah masih normal ?, gunakan ohmmeter, jika ada yang putus maka harus disambung atau ganti dengan yang baru.
- Cek resistansi seri sesuai batas ukur apakah masih normal ? jika tidak maka harus diganti dengan harga yang sama dengan yang aslinya. Jika normal maka cek resistansi shunt.
- Cek resistansi shunt apakah masih normal ?, jika tidak normal maka ganti dengan harga resistansi yang sama.
- Cek diode proteksi apakah masih normal ?, jika tidak normal ganti dengan spesifikasi yang sama dengan yang aslinya.
c. Jarum Voltmeter tidak mau kembali ke posisi nol setelah menunjuk
Jika terjadi kondisi seperti ini maka kerusakan pada bagian pegas pembalik putar kiri yang tidak normal. Maka harus diganti.
Untuk lebih jelasnya langkah-langkah perbaikan bagian voltmeter dc pada multimeter dapat disesuaikan dengan flowchart berikut ini.
*) klik gambar umtuk memperbesar gambar
Gambar 3. Flowchart perbaikan volt meter



Tidak ada komentar:
Posting Komentar